Parts + tech
#parts #Radio #Hitachi
Nils Ehrat Nils Ehrat
23.06.2025

A Hitachi KM-1520ZC radio deep-dive

Today, we are going to have a very deep look at the Hitachi KM-1520ZC car radio, which was a factory-installed radio in many of the export market Datsun 240Zs. There were many other radios / antennas / audio components used throughout the S30 line of cars, but that’s something I would like to save for a future post.

Disclaimer: I have a professional background and education in audio electronics engineering and used to repair such audio systems for many years. But it has been a while since, so forgive me if I messed up some details. If you have any correction, input or additional information, I appreciate it if you let me know. I’ll update this post whenever I find something to add or change. Aside from my experience, I solely rely on original Nissan and Hitachi official technical documentation, which I have collected over many years. I am not a professional journalist, but I put countless unpaid hours of work and years of research into this post and spent quite a bit of money to collect a lot of original documents, so please ask, before you copy anything. Thanks!

Datsun KM-1520ZC operation manual cover

1. What is the Hitachi KM-1520ZC?

The KM-1520ZC is a dual-band car radio, which was produced as OEM equipment by Hitachi Ltd., Tokyo, exclusively for the Nissan S30 Fairlady Z and Datsun 240Z export models. Especially in European market Datsun 240Zs, it’s one of the most commonly found factory-standard radios. By the time this radio was introduced (early 70s) it was at the upper class range of radio engineering, using the latest technology available, but it was not at the absolute top-end. When comparing the cars it was installed in to similar cars of that era, it definitely had some neat features for the overall package price, and one should not forget that the transistor technology was still relatively new in consumer electronics, at that time.

Nissan S30 1976 L-drive parts manual

I’m not entirely sure if this is true but it seems that the KM-1520ZC was only ever standard equipment in Europe until July 1973. This makes sense, as FM radio bands were not very common in, for e.g., the USA, at that time, while in Europe they were already the standard.
The Nissan Parts manual lists it with part number 27320-E8125 "Kit-receiver Radio (AM-FM)", even though the drawing shows the previous version (with the antenna switch on the side).
My understanding is, that it later got replaced with the KM-1520ZD type (with V-shaped front plate) for the 260Z, but we will look at the other models in a future article.

The "introduction of the 1972 240Z models" bulletion mentions that a new radio is introduced, which replaces the former one with the "autotune" feature. Either they had to save costs, or the feature was not really realiable and therefore eliminated. The illustrations in the same document clearly show the new KM-1520ZC version with the Antenna switch above the frequency tuning-knob.

1.1 Model type code

The model type name KM-1520ZC can be found on the type plate on the bottom of the metal housing.
My assumption is that the KM stands for a range of radios in the Kurzwelle (shortwave) / Mitelwelle (medium wave) frequency range, even though Hitachi used the same KM code for a few radios with other wave-ranges too. Even if the Germans invented a lot of the original technology, I’m not entirely convinced that the Japanese would use the German naming, so I’m not sure if this all makes any sense.
1520 = Hitachi model type name
Z = Specific model for Nissan “Z-cars”
C = Revision (there are also KM-1520ZA and KM-1520ZD versions, but some are not as common as the ZC variant , and some versions were probably never released to the public)

1.2. Background

The KM-1520ZC is based on the standard KM-1520 aftermarket car radio by Hitachi from their KM-15xx range of radios. After studying the technical details, I came to the conclusion that the KM-1520ZC is actually 100% the same circuitry and features as the standard KM-1520, except for the external differences and the output of the power amplifier, which is 3,5W in Nissan vs the 10W at the original Hitachi KM-1520. This was most probably achieved by using smaller (cheaper) transistors in the power-amplifier circuit.

Original 1973 Hitachi HiFi catalog model overview

The Hitachi catalogue from 1973 shows the different specifications of the hitachi automotive radio lineup:

Original 1973 Hitachi HiFi catalog model specs comparison

1.3 Difference to Hitachi KM-1520:

So what is the difference between the KM-1520 and the KM-1520ZC?

Basically two things:

  1. An added antenna switch, which has been integrated externally into the housing, but is not a part of the radio circuitry. Obviously, the metal parts (front and upper lid) are therefore different from the original KM-1520
    Note: On other Hitachi-Nissan OEM radios, the antenna switch was mounted on the side of the radio.

  2. The A-shaped plastic front face plate was custom-made to physically and visually fit into the S30 car center console.

2. Specification

2.1 Features

By today’s standards, the radio is pretty simple, but got everything that was required to listen to radio, back then and some extras.
On the left side there is a volume control rotary knob which also works as on-off switch and has a secondary function of tone-control.
In the center, you will find the frequency display with the dial pointer.
Just below that, you have five memory buttons. Three for your favorite AM stations and two for your FM range stations.
On the right side you find the antenna switch and the frequency tuning knob.
Compared to other Nissan (Hitachi) OEM radios, this one does NOT have any auto-tuning features, and the output Audio signal is mono only (= same audio signal on the left and right speaker)

From the 1972 Datsun 240Z operation manual

The radio operates in the following two frequency bands / modes, which are also visible on the radio frequency dial display (see previous picture):

FM UKW (frequency modulation – Ultrakurzwelle = ultrashortwave): 88-108 MHz
AM MW (amplitude modulation – Mittelwelle = medium wave): 535-1605 KHz

I think explaining the difference between the two modulation methods and different radio wavelength bands would be a bit too much here, but Hitachi itself released a nice little booklet to explain the basics of the two methods:

2.2 Technical specification

Now let’s get a bit more technical, if you’re interested in that:
The Hitachi manuals mention that it is a "solid state" design, which means that no electromechanical or electron tube components are used, and it is fully based on semiconductors (Transistors, diodes and integrated circuits). But the favorite memory buttons are still purely electromechanical, so that’s only partially true.
Other than that, it uses 13 transistors for amplification, one integrated circuitry (IC) for the preamp and nine diodes plus two thermistors for temperature compensation.
Power supply is 12V DC (car battery voltage) with 200mA current consumption in idle mode (no signal).

3. Circuit design

3.1 block diagram

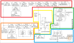
The block diagram in the KM-1520 service manual explains very nicely how the radio works.
The numbers in the black boxes (for e.g. TR1) is the transistor number in the diagram and layout, and the text below show its type and function, which is very neat.
There are basically five big parts of circuitry to understand, which I marked in different colors for better understanding:

Red: FM receiver and demodulator circuits
Orange: AM receiver and demodulator circuits
Green: preamplifier / driver and power amplifier circuits
Blue: power supply and voltage stabilization
Yellow: external controls (tone and volume) plus connector.

Both AM and FM receivers are designed by the so-called superheterodyne (“superhet”) principle. Which means that the aerial radio frequency (for e.g. your favorite FM radio station 104,7) is first mixed down to a fixed standard intermediate frequency (ZF= Zwischenfrequenz) of 10,7MHz (FM) or 455KHz (AM). This makes it easy to design and adjust the following circuitry only for one specific intermediate frequency instead of the whole aerial frequency bands, and therefore gives you a sharper and cleaner audio output.

3.2 wiring diagram / schematics

Over the years, I have seen many wiring diagrams and I have to say this one makes life really easy, as it not only shows you the circuit design / wiring but also the function of each part of the wiring diagram, while at the same time following the design of the block diagram. So each block from the block diagram is easily assignable directly to the part of the "real" schematics with all individual components.

I will briefly explain the function of each circuit block, which is always based on a semiconductor component. The surrounding components are there to support / complete that specific semiconductor in various ways.

3.2.1 FM Circuit:

TR1 = Transistor 1: FM aerial radio frequency (RF) preamplifier, of the whole UKW (Ultra-short-wave) band
TR7 = Transistor 7: FM Frequency oscillator (sets the filter-frequency for the tuned FM radio station)
TR2 = Transistor 2: FM Mixer converter: Converts the aerial frequency down to the intermediate frequency
D3 = Diode 3: FM AFC. Auto frequency control: Ensures the tune remains on the set radio frequency
TR3 = Transistor 3: First FM intermediate frequency preamplifier
TR4 = Transistor 4: Second FM intermediate frequency preamplifier
TR5 = Transistor 5: Third FM intermediate frequency preamplifier
TR6 = Transistor 6: Fourth FM intermediate frequency preamplifier
D1 / D2 = Diode 1 & 2: FM Ratio detector demodulator (demodulates the frequency modulated (FM) radio signal into an actual audio signal)
The ratio detector is a relatively basic FM Demodulator design, but one that works very well without using too many components

3.2.2 AM Circuit:

TR 11 = Transistor 11: AM Frequency oscillator (filter-sets the frequency for the tuned AM radio station)
D8 = Diode 8: Oscillation / feedback prevention: Ensures that the whole circuit does not start to resonate / oscillate
TR8 = Transistor 8: AM Mixer converter: Converts the aerial frequency down to the intermediate frequency
TR9 = Transistor 9: First AM intermediate frequency preamplifier
D5 = Diode 5 = AGC / AVR = Automatic Gain Control (for stable output signal)
TR10 = Transistor 10: Second AM intermediate frequency preamplifier
D6 = Diode 6 = AGC / AVR = Automatic Gain Control (for stable output signal)
D7 = Diode 7 = AM Demodulator (demodulates the Amplitude modulated (AM) radio signal into an actual audio signal

3.2.3 Amplifier circuit

IC = Integrated circuit FA6007T: Audio preamplifier and Power amplifier driver xircuit.
ZD1 = Z-diode 1: Voltage stabilization of the Amplifier circuitry.
D9 = Diode 9: Temperature compensation of the amplifier circuitry.
TR12 & TR13: Transistor 12 / 13: Power output amplifier stage.

3.2.4 Circuit design details:

If you want to google more:
TR1 is an NPN-transistor used in “basic-circuit” design
TR2-11 are all NPN-transistors, used in the so-called “emitter-circuit” design
TR12 & 13 are used in a so-called Push-and-Pull power amplifier circuit design, where one transistor works for the positive half of the sinewave-signal, and the second transistor amplifies the negative half of the signal.

3.3 PCB Layout

Looking at such a PCB (Printed circuit board) layout these days (where computer aided PCB layout with automated trace routing is the norm), drives my OCD nuts, but at the same time such a hand-drawn layout was standard at that time.
The gray areas show the copper traces on the PCB, and the black items are the various electronic components (standardized symbols). The numbers next to it refer to the numbers in the detailed wiring / block diagrams.
The trace design of high frequency circuits and audio PCB’s have come a long way since then, so it’s not really an optimal design when it comes to noise protection, etc. But from my experience it still works pretty well.

In the technical documentation / service manuals, you will also find details on how to tune the circuits after a repair.
I do not recommend doing this, as it requires experience, special electronic measurement equipment (or better a full lab) and the chances are high that it’s worse after your attempts to "improve" it.
The service manual also lists all the components including technical specifications, so you know which component to choose if you want to replace anything.
Most electronic components are pretty standard and can be replaced by a more modern equivalent, as it might be a bit tricky to find the original component from the 70s – though not impossible.

4. Mechanical design

4.1 Housing

The housing is pretty much a simple metallic box, held together with a few screws / bolts. A metallic box is good for interference protection and was the standard back then (google "Faraday Cage" if you would like to know more).
In the following drawing, you can see the standard KM-1520 housing design with all mounting brackets etc. The "ZC" version is pretty similar, aside from a few 240Z-specific brackets and connectors plus the custom front plate:

4.2 Memory buttons

The "favourite" memory buttons are the funkiest feature of this radio. Something which I haven’t really seen a lot in my many years of repairing such types of radios. They allow you to save the frequency tune setting for three favourite AM and two FM stations. See bottom right box in the original 240Z operation manual:

February 1972 Datsun 240Z export market service manual

While today, such features are done via saving the tune-settings digitally in a memory chip, here it’s done mechanically.

The tune rotary knob is not connected to a potentiometer directly (as you would expect) but behind it is a gearing system, which takes up about 1/3 of the radio space.
The mechanical tune of the potentiometer can be physically stored in the memory buttons, then, to store your favourite stations.

In the following video, i first set the 1st AM favourite station, then store it, then set the second favourite AM station, then store it. and then switch between the two stored favourites.
You can see how the mechanism jumps between the two stored settings.

Absolutely brilliant, but a bit prone to mechanical wear, plus heavy and expensive. But back then it was cheaper to build it mechanically, than design a specific circuit for it. Remember that transistors were still quite new and expensive back then.

5. Maintenance

  1. As you can see in the above video, the grease in my radio memory mechanic is sticky and the movement quite slow, like an old mechanical watch that hasn’t been used in many years.
    I recommend giving it a good clean (degrease) and some fresh oil (for e.g. sewing-machine oil will do fine), so it runs smooth again. I will definitely do it in a future project and post about it.

  2. Electrolytic capacitors are known to dry out in any electronic devices over the years. If you have any electrical problems with your radio, the first thing I recommend doing, is to replace those. If it doesn’t solve the problem, it will definitely improve the sound quality, eliminate random noises and solve other problems, that you may not have been aware of. Electrolytic capacitors are those who have a +/- polarity shown in the wiring diagram. Make sure to put them back in correct polarity, or otherwise you’re going to see some smoke during the first power-up.

  3. Last but not least, it is always good to clean all contacts. Use special electronic contact cleaner, and for e.g. 3M contact cleaning strips. NEVER use WD-40 or something similar to fix HiFi equipment. It might work for a while, but a few weeks later, it’s all just worse and harder to fix.

  4. A very common problem is that the front faceplate brakes in the fragile corners. Luckily, 240Zrubberparts has reproductions, even though they seem out of stock at the moment.

5. Summary

After digging a bit into this topic, I have to say this radio is nothing crazy, but still a solid piece of car-HiFi. Other versions of the S30 chassis family, especially in Japanese market, had way more advanced audio components from the factory, but something similar, is what most Zs got in the export markets. Limited usability today with the shutting-off of AM / FM radio transmission and the switch to DAB (Digital Audio Broadcasting) makes it a bit outdated for usage today, especially in Europe. In Switzerland, for e.g. all MW stations have been shut off years ago and this year the remaining UKW (FM) radio stations will turn off, too. This can be solved by buying a mini Bluetooth-to-FM-transmitter. You can for.e.g. have it in the glove box, connect your mobile phone to it via Bluetooth and listen to it via the original Nissan / Hitachi Radio.
For anybody with electronics experience, a multimeter, oscilloscope and the ability to handle a soldering station, the repair of such a radio should be pretty straightforward, especially which the really good technical documentation supplied by Hitachi.

6. Sources

Aside from the various Nissan and Hitachi official documentation shown on this page, I would also like to mention the following two very helpful sources, where you can also find loads of additional information:

  1. Xenon S30, the original source for various manual scans.
  2. Radiomuseum, with a lot of information on various Hitachi Radios

Thank you both for providing those very helpful resources!

I hope you enjoyed the read, and see you again in a future knowledge-post.

You can find more exciting articles here